Гондуров С.А., Михалев С.В., Пирогов М.Г., Захаров О.Г.
НТЦ «Механотроника», С-Петербург
В первой части данной работы [1] были рассмотрены примеры расчета уставок токовой отсечки, а во второй [2] — пример расчета уставок дифференциальных защит с применением дифференциальной токовой отсечки, уставки по току срабатывания которых меньше номинального тока электродвигателя.
Продолжим рассмотрение методик расчета уставок для цифровых устройств релейной защиты.
На рис. 3 в предыдущей части была приведена обобщенная структурная схема алгоритма торможения [3].
В блоках серий БМРЗ и БМРЗ-100, используемых для защиты электрических машин и трансформаторов, применяется алгоритм торможения, характеристика которого имеет два участка (рис. 7)

На рис. 7 приняты такие обозначения для уставок, задаваемых пользователем
— уставка по начальному дифференциальному току срабатывания;
— начальный ток торможения на участке б;
— коэффициент торможения на втором участке тормозной характеристики.
- коэффициент торможения на втором участке тормозной характеристики
- коэффициент торможения на третьем участке тормозной характеристикиДля получения тормозной характеристики, подобной показанной ранее на рис. 4 (без изменения угла наклона в точке
), необходимо уставку
задать равной
.
Расчет значений всех токов производят по алгоритму, показанному на рис. 8, где начальные значения переменных обозначены как 
Остальные обозначения следующие:
- действующее значение дифференциального тока фазы А;
- действующее значение тока торможения фазы А;
– признак срабатывания реле по дифференциальному току фазы А.
Методика расчета сопровождается практическими примерами, в которых используется асинхронный электродвигатель АО-3150-6000.
Исходные данные для расчета:





Значение тока трехфазного КЗ на вводах питания электродвигателя и на вводах устройства плавного пуска (УПП): 
Пуск двигателя плавный, в соответствии с настройками УПП, максимальная кратность пускового тока: 
Двигатель участвует в самозапуске (в том числе и при переключении ячеек питания).
Максимальное сопротивление токовых цепей со стороны питания электродвигателя (по проекту) – не более 0,5 Ом.
Максимальное сопротивление токовых цепей со стороны нейтрали электродвигателя (по проекту) – не более 1 Ом.
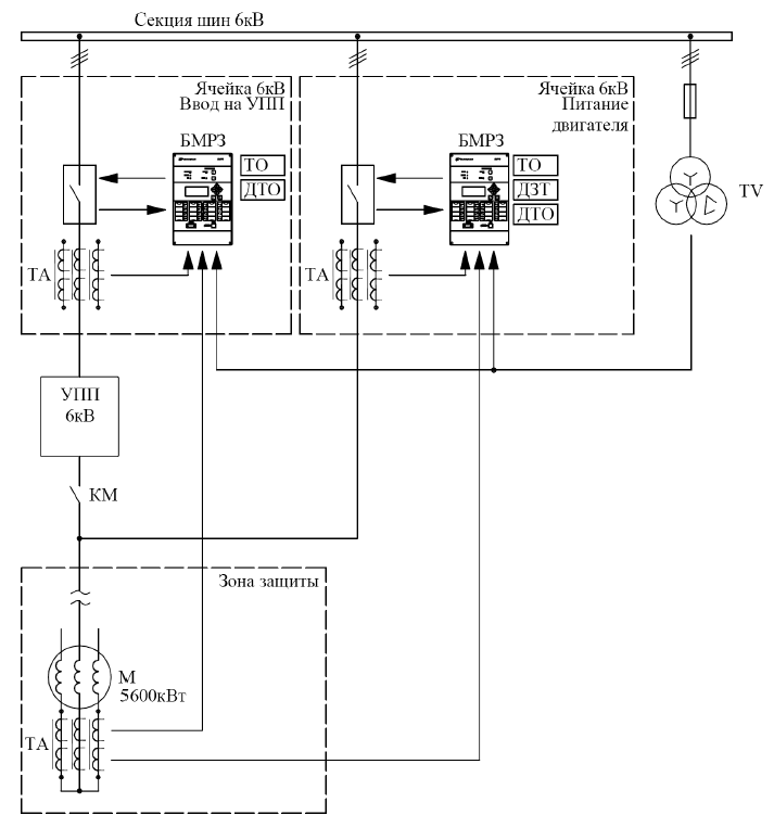
Схема с УПП асинхронного электродвигателя АО-3150-6000 и цифровыми блоками релейной защиты БМРЗ приведена на рис. 9.
Для расчета уставок защиты необходимо знать номинальный ток электродвигателя. Если значение этой характеристики не приведено в документации электродвигателя, то для еѐ определения используем формулу (1), приведенную в [1].
Пример 3:
3.12Номинальный ток электродвигателя АО-3150-6000 согласно формуле (1) равен:

По расчетному значению номинального тока выбирает трансформаторы тока типа ТЛМ10-5-82 с сердечником типа Р и коэффициентом трансформации
.
Для трансформатора тока этого типа погрешность не превышает 10 % при кратности тока до 22 (400 х 22 = 8800 А).
При этом максимальное сопротивление токовых цепей не должно превышать 0,5 Ом [3].

Определим максимальный бросок пускового тока (см. рис. 2 в [1]), учитывая что данный электродвигатель участвует в процессе самозапуска, в том числе и при переключении ячеек питания. В этом случае значение
, полученное по формуле (2), нужно увеличить в 1,4 раза
Пример 3:
3.2 Максимальный бросок пускового тока при самозапуске составит:

Ток срабатывания токовой отсечки выбираем равным или большим полученного расчетного значения броска пускового тока, т.е. 
Выбранные нами трансформаторы тока по соотношению проверяем по соотношению (6) [1]:
Пример 3:
3.3 Вычисляем

Из соотношения (6-4) видно, что для выбранных трансформаторов тока соотношение (6) выполняется, так погрешность трансформаторов тока не будет превышать 10%. Поэтому можно продолжать расчет.
В связи с тем, что в [2] возможность использования дифференциальной токовой защиты связана с коэффициентом чувствительности ТО, необходимо определить значение тока двухфазного КЗ на вводах питания электродвигателя по формуле (7) [1]:
Пример 3:
3.4 Расчетный ток двухфазного КЗ на вводах питания электродвигателя:

Коэффициент чувствительности, представляет собой отношение расчетного значения фазного тока при металлическом КЗ в пределах защищаемой зоны к фазному току, соответствующему срабатыванию защиты.
Значение коэффициента чувствительности kч вычисляем по формуле (8) [1]:
Пример 3:
3.5 Коэффициент чувствительности:

В связи с тем, что значение коэффициента чувствительности равно 1,32 (т.е. меньше 2), необходимо применять дифференциальную токовую защиту.
Расчетное значение максимального тока небаланса
, соответствующее максимальному броску пускового тока электродвигателя Iбр.пуск находим по формуле (9), приведенной в [2].
Для вычисления по этой формуле необходимо знать полную относительную погрешности трансформатора тока
- при токе, соответствующем максимальному броску апериодической составляющей пускового тока электродвигателя (для ТТ, установленных со стороны нейтрали электродвигателя).
Для определения этой погрешности можно воспользоваться типовой кривой намагничивания [5] (см. также рис. 5 в [2]). Однако для повышения точности расчета необходимо использовать кривую намагничивания для того типа трансформатора тока, который использован в системе защиты.
Для дальнейшего расчета по кривой, приведенной на рис. 5, принимаем значения
.
Значения остальных величин, входящих в формулу (9) приведены в [2], что позволяет найти искомое значение:
Пример 3:
3.5 Расчетное значение расчетное значение максимального тока небаланса
, соответствующее максимальному значению броска пускового тока электродвигателя с учѐтом апериодической составляющей
:

Основная относительная погрешность измерения дифференциального тока цифровым устройством
и складывается из погрешностей измерения двух токовых каналов, погрешность каждого - 2,5%;
Технологический запас, обусловленный наличием дополнительной погрешности измерения устройством, в данном расчете принимаетсяb равным половине основной погрешности измерения дифференциального тока (
).
Максимальный ток небаланса в цепях дифференциальной защиты находим по формуле (10) [2] в которой учтено значение коэффициента отстройки
:
Пример 3:
3.6 Используя полученное в формуле (9-2) значение, находим:

Коэффициент торможения дифференциальной находим по формуле (11) [2], а результат округляем в большую сторону (до сотых долей):
Пример 3:
3.7 Вычисляем

Следующий этап расчета – определение уставки срабатывания дифференциальной токовой отсечки ДТО по формуле (12) [2]:
Пример 3:
3.8 Подставив полученные ранее значения коэффициента торможения и максимального броска пускового тока в формулу (12), получим значение уставки IДТО:

Расчет уставки
начнем с определения максимального тока небаланса при номинальном токе электродвигателя по формуле (13) [2]:
Пример 3:
3.9 Подставив полученные ранее значения в формулу (13) получим:

Значения
и
соответствуют использованным в формуле (9-2), а значение полной относительной погрешности ТТ установленных со стороны нейтрали электродвигателя при номинальном токе электродвигателя
.
В связи с тем, что по заданию ток срабатывания ДЗТ
должен превышать номинальный ток двигателя, то в формулу для определения уставки
(14) [2] подставляем значения номинального тока электродвигателя и коэффициента отстройки
:
Пример 3:
3.10 Учитывая сказанное, значение уставки Iдзт равно:

Для построения характеристики ДЗТ определим значения тока торможения
, при котором происходит излом характеристики дифференциальной защиты по формуле (16) [2]:
Пример 3:
3.11 Учитывая сказанное, значение тока торможения Iторм1 равно:

Получив значение тока торможения, проверяем трансформаторы, установленные в нейтрали электродвигателя. Такая проверка необходима потому, что сопротивление токовых цепей со стороны нейтрали (по проекту – 1 Ом) выше, чем сопротивление токовых цепей со стороны питания [по проекту 0, 5 Ом, см. формулу (6-4)].
Увеличение сопротивления токовых цепей приводит к уменьшению кратности тока, при которой погрешность трансформатора тока данного типа не превышает 10%, до 15 [3].
Проверяем выполнения соотношения (6) [1] для расчетного значения тока торможения
:
Пример 3:
3.12 Подставив значения в соотношение (6), получим:

Выполнение соотношения (6-5) позволяет использовать выбранные трансформаторы тока в данной схеме защиты. Характеристика дифференциальной токовой защиты, построенная по результатам расчета приведена на рис. 10.

Проверяем чувствительность ДЗТ и ДТО, для чего находим значения коэффициентов чувствительности защиты при двухфазном КЗ на вводах питания электродвигателя по формуле (17) [2]:
Пример 3:
3.13 Подставив значения в формулу (17) получим:

Поскольку коэффициенты чувствительности для значений
и
больше 2, то защита удовлетворяет требованиям ПУЭ [2].
Выдержка времени для ДТО и ДЗТ устанавливается нулевой.
Для исключения ложного срабатывания дифференциальных защит вводим их блокирование при снижении максимального из трѐх фазных токов со стороны питания электродвигателя ниже 75% тока холостого хода.
Таким образом, в ячейке питания двигателя при непосредственном пуске в блоке БМРЗ предусмотрено три защиты – ТО, ДТО и ДЗТ.
Продолжим расчет уставок для блока БМРЗ, установленного в ячейке, обеспечивающей питание устройства плавного пуска УПП электродвигателя.
В связи с тем, что условия прямого пуска для данной ячейки те же самые, значение максимального броска пускового тока при участии в самозапуске будет таким же, как найденное ранее по формуле (2-4), т.е.
.
Ток срабатывания ТО выбираем таким же, как ранее, т.е.
. В ранее выполненных расчетах было показано, что условие (6) выполняется [см. (6-4)], поэтому для этой части схемы защиты можно использовать трансформаторы тока ТЛМ10-5-82 с сердечником типа Р и коэффициентом трансформации 400/5 при сопротивлении токовых цепей не превышающем 1 Ом.
Значение тока двухфазного КЗ на вводах питания УПП при одинаковых исходных данным буде равно ранее вычисленному по формуле (7-3) значению, т.е.
.
Коэффициент чувствительности для выбранного тока срабатывания ТО и рассчитанного значения двухфазного тока КЗ будет аналогичен найденному ранее по формуле (8-3), т.е. 1,32. В связи с тем, что коэффициент чувствительности меньше 2, то в блоке БМРЗ, установленном в этой ячейке, помимо токовой отсечки ТО необходимо применить дифференциальную токовую отсечку ДТО (см. рис. 9)
Продолжим расчет и определим максимальный бросок пускового тока при плавном пуске с помощью устройства УПП по формуле (18):

где
- предельная кратность пускового тока, задаваемая при настройке устройства плавного пуска (УПП).
Значение kУПП выбирают из диапазона 3 ÷ 4 или ориентируются на указания, приведенные в документации на УПП.
Пример 3:
3.14 Подставив значения в формулу (18) получим:

Уставку срабатывания ДТО находят по формуле (19):

Пример 3:
3.15 Подставив значения в формулу (19) получим:

Проверим выполнение соотношения (6) и убедимся, что трансформаторы тока обеспечивают погрешность не более 10% для данного значения уставки срабатывания и сопротивления токовых цепей.
Для проверки чувствительности ДТО найдем коэффициент чувствительности защиты при двухфазном КЗ на вводах питания электродвигателя по формуле (17):
Пример 3:
3.16 Подставив значения в формулу (17) получим:

Поскольку значение коэффициента чувствительности больше 2, данная защита удовлетворяет требованиям ПУЭ.
По полученным при расчете данным строим характеристику защиты (рис. 11).

Для данной защиты принимаем выдержку времени равной нулю.
Применять дифференциальную токовую защиту с торможением в ячейке с УПП нецелесообразно.
Никто пока не комментировал эту страницу.