Гондуров С.А., Михалев С.В., Пирогов М.Г., Захаров О.Г.
НТЦ «Механотроника», С-Петербург
В первой части данной работы [1] были рассмотрены примеры расчета уставок токовой отсечки. Во второй части приведем пример расчета уставок дифференциальных защит.
Согласно требованиям ПУЭ [2] электродвигатели мощностью 5МВт и более, имеющие выводы от начал и концов фазных обмоток, должны защищаться1 от междуфазных замыканий с помощью дифференциальной токовой защиты.
Такой же защитой должны быть оборудованы электродвигатели мощностью менее 5 МВт, если коэффициент чувствительности ТО (см. [1]) меньше или равен 2.
Измерительный элемент D (рис. 1) определяет значение дифференциального тока Id, равного геометрической сумме токов трансформаторов тока ТА1 и ТА2.

При КЗ внутри защищаемой зоны К1 (внутреннее КЗ) измеряемые токи I1 и I2 практически совпадают по фазе, поэтому дифференциальный ток Id существенно больше нуля и соизмерим с геометрической суммой этих токов (рис. 2, а).
При КЗ вне зоны К2 (внешнее КЗ) геометрическая сумма токов (дифференциальный ток Id) в идеальном случае (при отсутствии погрешностей трансформаторов тока) равна нулю (рис. 2, б).

Для обеспечения правильного срабатывания защиты как при внешних, так и при внутренних КЗ в цифровых устройствах используют алгоритм (рис. 3), обеспечивающий торможение (загрубление уставки срабатывания Idуст) с увеличением сравниваемых токов.

Использование такого алгоритма обеспечивает неселективное срабатывание2 защиты при внешних КЗ и селективное срабатывание при внутренних КЗ, а в случае правильно выбранных уставок - несрабатывание при внешних КЗ.
Данный алгоритм формирует два сигнала:
, абсолютное значение которого равно
;
.Сравнение тормозного и дифференциальных токов происходит в блоке сравнения БС. Алгоритм торможения, примененный в блоках БМРЗ, будет подробно рассмотрен в следующей статье.
Характеристики дифференциальных токовых защит приведены на рис. 4.

Дифференциальная защита электродвигателей может быть реализована в двух- или трехфазном исполнениях.
Двухфазную дифференциальную защиту допускается выполнять при совместном применении с ней одной из защит от:
замыканий на землю;
двойных замыканий на землю, использующей трансформатор тока нулевой последовательности и токовое реле.
Во всех остальных случаях дифференциальная защита должна выполняться с тремя трансформаторами тока.
В соответствии с требованиями ПУЭ для блоков электродвигатель - трансформатор (автотрансформатор) мощностью более 2 МВт должна предусматриваться дифференциальная отсечка в двухрелейном исполнении, отстроенная от бросков тока намагничивания трансформатора.
Такой же защитой должны быть оборудованы блоки электродвигатель – трансформатор (автотрансформатор) мощностью менее 2 МВт, если коэффициент чувствительности ТО (см. [1]) меньше или равен 2 при междуфазном КЗ на выводах электродвигателя.
Для блоков электродвигатель – трансформатор (автотрансформатор) должна быть предусмотрена дифференциальная токовая защита в двухрелейном исполнении с промежуточными насыщающимися трансформаторами тока.
Аналогичной защитой должны быть оборудованы блоки электродвигатель – трансформатор (автотрансформатор) мощностью менее 2 МВт, если ТО (см. [1]) не удовлетворяют требованиям чувствительности.
Согласно [1] оценка чувствительности дифференциальных защит должна производиться при помощи коэффициента чувствительности, определяемого как отношение расчетного значения дифференциального тока при металлическом КЗ в пределах защищаемой зоны к значению дифференциального тока, при котором происходит срабатывание защиты.
Отметим, что при использовании цифровых устройств релейной защиты реализация двух- и трѐхфазных исполнений дифференциальных защит не представляет трудностей, так как в этих устройствах предусмотрено необходимое количество цифровых реле максимального тока для каждой фазы.
Известны два варианта выполнения дифференциальной токовой защиты электродвигателей:
Первый вариант защиты применяют на объектах с постоянным обслуживающим персоналом.
При его использовании следует учитывать возможность неправильного действия защиты электродвигателя при:
Тем не менее, данный вариант защиты обеспечивает минимизацию объема повреждений в электродвигателях при внутренних междуфазных коротких замыканиях в статорной обмотке машины.
Второй вариант защиты рекомендован для применения на ответственных объектах и обеспечивает еѐ правильную работу при:
Дифференциальная токовая защита с торможением (ДЗТ) является основной. Вместе с ней применяют дифференциальную токовую отсечку (ДТО), являющуюся вспомогательной по отношению к ДЗТ.
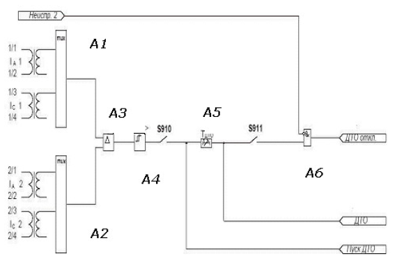
Существуют исполнения блоков серии БМРЗ-100 в которых предусмотрен только алгоритм ДТО (рис. 5), а алгоритм ДЗТ отсутствует.
Учитывая, что применение в блоке только алгоритма ДТО без алгоритма ДЗТ не рекомендуется некоторыми специалистами, то о всех выпускаемых блоках серий БМРЗ и БМРЗ-100 предусмотрено применение обоих алгоритмов.

В блоке А1 такого алгоритма выявляются максимальные значения токов со стороны питания защищаемого объекта Iв, а в блоке А2 – максимальные значения токов со стороны общей точки (нейтрали) защищаемого объекта Iн.
Дифференциальный ток вычисляет блок А3 по формуле (9)3:

Блок А4 формирует выходной сигнал при выполнении условия (10):

где
- уставка срабатывания ДТО.
В данном варианте алгоритма предусмотрен элемент А54, который обеспечивает его действие с задержкой по времени срабатывания. При задании минимальной уставки срабатывание ДТО происходит не более, чем за 35 мс при кратности дифференциального тока по отношению к уставке 1,2.
Программный ключ S910 выводит алгоритм ДТО из работы, а ключ S910 –обеспечивает действие алгоритма на отключение.
Блок А6 запрещает действие алгоритма на отключение при поступлении на вход устройства сигнала «Неисправность».
Методика расчета сопровождается практическими примерами, в которых используется асинхронный электродвигатель ДАЗО-2000-6.
Исходные данные для расчета:






Пример:
1.125Номинальный ток электродвигателя ДАЗО-2000-6 согласно формуле (1) равен:

По номинальному току электродвигателя необходимо выбрать трансформаторы тока с таким коэффициентом трансформации, чтобы при номинальном токе электродвигателя вторичный ток не превышал 5 А.
Рекомендуемый диапазон изменения вторичного тока от 1 до 4 А.
Пример:
1.13 Для найденного про соотношению (1-3) значения тока (222,5 А) предварительно выбираем для установки со стороны питания электродвигателя и со стороны нейтрали трансформаторы ТЛМ10-5-82 с сердечником типа Р , коэффициентом трансформации kтр = 300/5.
Трансформаторы тока этого типа имеют погрешность не более 10% при кратности тока до 17 (17 х 300 = 5100) [5].
При этом максимальное сопротивление токовых цепей не должно превышать 0,5 Ом.
Для оценки пригодности выбранных трансформаторов тока по погрешности, соответствующей предельной кратности тока, необходимо определить максимальный бросок пускового тока (см. рис. 2 в [1]), учитывая что данный электродвигатель в процессе самозапуска не участвует.
Пример:
1.14 Максимальный бросок пускового тока:

1.15. Ток срабатывания токовой отсечки выбираем равным или большим полученного расчетного значения броска пускового тока - 
Проверяем выбранные ранее трансформаторы тока по соотношению (6) [1]:
Пример:
1.16 Вычисляем

Из соотношения (6-3) видно, что для выбранных трансформаторов тока соотношение (6) выполняется, так погрешность трансформаторов тока не будет превышать 10%. Поэтому можно продолжать расчет.
В связи с тем, что в [2] использование дифференциальной токовой защиты связано с коэффициентом чувствительности ТО, определим значение тока двухфазного КЗ на вводах питания электродвигателя по формуле (7) [1]:
Пример:
1.17 Расчетный ток двухфазного КЗ на вводах питания электродвигателя:

Коэффициент чувствительности, представляет собой отношение расчетного значения фазного тока при металлическом КЗ в пределах защищаемой зоны к фазному току, соответствующему срабатыванию защиты вычисляем по формуле (8) [1]:
Пример:
1.18 Коэффициент чувствительности:

В связи с тем, что значение коэффициента чувствительности равно 1,54 (т.е. меньше 2), необходимо применять дифференциальную токовую защиту.
Для дальнейших расчетов необходимо определить полные относительные погрешности выбранных трансформаторов тока :
- при токе, соответствующем максимальному броску апериодической составляющей пускового тока электродвигателя (для ТТ, установленных со стороны нейтрали электродвигателя);
- при номинальном токе электродвигателя (для ТТ, установленных со стороны нейтрали электродвигателя).
Для определения этих характеристик воспользуемся типовой кривой намагничивания (рис. 5).

На рис. 5 приняты такие обозначения:
kмакс - максимальная кратность измеряемого тока по отношению к номинальному току трансформатора тока;
k10 - допустимая кратность измеряемого тока, соответствующая погрешности 10%.
Для повышения точности расчета необходимо использовать кривую намагничивания для того типа трансформатора тока, который использован в системе защиты.
Расчетное значение максимального тока небаланса
, соответствующее максимальному броску пускового тока электродвигателя
рассчитывается по формуле (9)

где
- основная относительная погрешность измерения дифференциального тока цифровым устройством РЗА (складывается из погрешностей измерения двух токовых каналов, погрешность каждого - 2,5%);
- технологический запас, обусловленный наличием дополнительной погрешности измерения устройством. Для расчетов принимается равным половине основной погрешности измерения дифференциального тока ( 2,5%).
Для дальнейших расчетов по кривой, приведенной на рис. 5, определим значения
.
Пример:
1.19 Расчетное значение расчетное значение максимального тока небаланса
, соответствующее максимальному значению броска пускового тока электродвигателя с учѐтом апериодической составляющей
:

Максимальный ток небаланса в цепях дифференциальной защиты находим по формуле (10) в которой учтено значение коэффициента отстройки
:

где
– коэффициент отстройки.
Пример:
1.20 Используя полученные в формуле (9-1) значения находим:

Коэффициент торможения дифференциальной защиты вычисляют по формуле (11):

После вычислений значение коэффициента торможения округляют в большую сторону до сотых долей:
Пример:
1.21 Вычисляем

Следующий этап расчета – определение уставки срабатывания дифференциальной токовой отсечки ДТО по формуле (12):

При выборе уставки необходимо учесть необходимость отстройки от максимального тока небаланса при максимальном броске пускового тока электродвигателя, т.е.
:
Пример:
1.22 Подставив полученные ранее значения коэффициента торможения и максимального броска пускового тока в формулу (12), получим значение уставки ДТО:

Для расчета уставки дифференциальной токовой защиты с торможением Iдзт необходимо предварительно найти максимальное значение тока небаланса при номинальном токе двигателя по формуле (13):

Пример:
1.23 Подставив полученные ранее значения в формулу (13) получим:

Значение уставки Iдзт должно быть равно или превышать произведение тока небаланса на коэффициент отстройки (14):

где
– коэффициент отстройки.
Пример:
1.24 Полученные ранее значения позволяют вычислить по формуле (14) нижнее значение уставки Iдзт

Как уже было сказано выше, ток срабатывания дифференциальной защиты выбирают либо меньше, либо больше номинального тока защищаемого электродвигателя, при этом значение Iдзт должно находиться в диапазоне от 0,3 Iном до 1,2 Iном.
В связи с тем, что полученное по формуле (14) значение Iдзт меньше, чем минимально рекомендуемое (0,3 Iном), то нижнюю границу уставки Iдзт найдем по другому соотношению, по номинальному току электродвигателя и нижней границе значения Iдзт:

Необходимо отметить, что данное соотношение применимо в том случае, когда уставку срабатывания выбирают ниже номинального тока электродвигателя, а вычисления по формуле (14) дают результат меньше, чем 0,3 Iном.
Для построения характеристики срабатывания ДЗТ (см. рис. 4) необходимо по формуле (16) определить точку Iторм1, в которой происходит еѐ излом:

Пример:
1.25 Подставив значения в формулу (16) получим:

На основании результатов расчета можно построить характеристику дифференциальной защиты (рис. 6).

Проверка чувствительности защиты производится путем определения коэффициента чувствительности защиты при двухфазном КЗ на вводах питания электродвигателя для ДЗТ по формуле (17):

Пример:
1.26 Подставив значения в формулу (17) получим:

Чувствительность ДТО при двухфазном КЗ на вводах питания электродвигателя определим, используя полученное ранее значение Iдто:
Пример:
1.26 Подставив значения в формулу (17) получим:

Поскольку коэффициенты чувствительности для значений IДТО и IДЗТ больше 2, то защита удовлетворяет требованиям ПУЭ [2].
Выдержка времени для ДТО и ДЗТ устанавливается нулевой.
Никто пока не комментировал эту страницу.