Входы комбинированных блоков питания подключают к двум источникам энергии [1, 2]:
Для токовых входов характерны два режима работы, отличающиеся значениями тока:
Значение тока в длительном режиме ограничено не только перегрузочной способностью вторичной обмотки трансформатора тока, но и нагревостойкостью изоляции контактных зажимов и проводников.
Для кратковременного режима работы комбинированных блоков питания значения тока ограничено термической стойкостью1 контактных зажимов и динамической стойкости проводников в течение 1 с2.
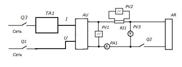
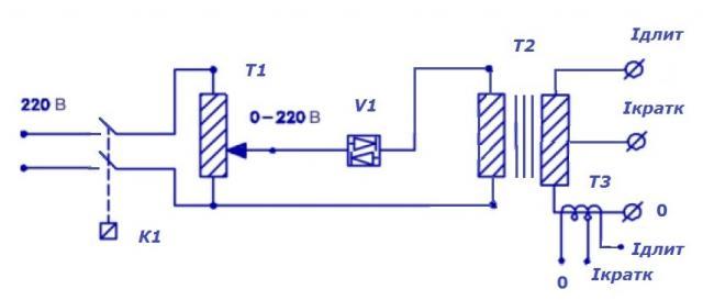
Для испытания токовых входов комбинированных блоков питания в данных режимах работы собирают схему, показанную на рисунке 1 [6], а в качестве источника регулируемого тока ТА1 применяют устройство [7], упрощенная схема которого приведена на рисунке 2.

Рисунок 1. Схема для испытаний токовых входов
Q1, Q3 – сетевые выключатели, Q2 – выключатель нагрузки, AR – нагрузка, AU – блок питания, PA1 – амперметр, PV1 – подключение осциллографа для измерения коэффициента пульсаций по напряжению, PV2 – то же, по току, PV3 – вольтметр, RI1 – шунт
При испытаниях комбинированных блоков в длительном и кратковременном режимах можно использовать и другие регулируемые источники тока, например, такие сложные, как «Ретом-21» или самые простые, такие как «РИТ-100».
Основной элемент таких источников тока – регулируемый автотрансформатор Т13. Подачу сетевого напряжения на первичную обмотку ЛАТР осуществляют с помощью контактов реле К1 (как показано на рисунке 2) или выключателя.

Рисунок 2. Схема главных цепей источника тока [7]
Напряжение, подаваемое на вход понижающего трансформатора Т2 регулируют, изменяя положение подвижного скользящего контакта трансформатора Т1.
С помощью симистора V1 включают и отключают напряжение на первичной обмотке понижающего трансформатора, создавая тем самым ток в токовых входах комбинированного блока питания. Измерение выходного тока производят с помощью измерительного многообмоточного трансформатора тока Т3.
Применение понижающего трансформатора с электрически разделенными первичной и вторичной обмотками позволяет обеспечить гальваническую развязку входных токовых цепей комбинированных блоков питания с сетью.
Испытания токовых цепей блока питания начинают с включения сетевого выключателей Q3 и установки длительно допустимого значения тока на токовом входе I комбинированного блока питания. Согласно [1] значение этого тока может находиться в диапазоне от 5 А (для блоков типа ИПК, БПНТ) до 15 А (для всех комбинированных блоков питания НТЦ «Механотроника»).
Следует учитывать, что для некоторых комбинированных блоков питания установлена выходная мощность, которую он должен обеспечивать при заданном значении тока. Для проверки этой характеристики с помощью регулируемого источника тока TA1 устанавливают необходимое значение тока и сопротивление нагрузки, а по показаниям амперметра РА1 и вольтметра РV3 вычисляют мощность нагрузки.
Во время этого испытания также проверяют блокирование каналов тока, в том случае, когда такая функция предусмотрена конструкцией блока (рисунок 3).

Рисунок 3. Токовые цепи комбинированного блока питания
1 – трансформатор «ток-напряжение» и проводники 2, соединяющее его с реле 3 блокирования токовых цепей, 4 – проводники, соединяющие реле с входными зажимами
Перед проведением этого испытания устанавливают:
Наличие или отсутствие тока на токовом входе контролируют по показаниям амперметра, подключенного во вторичную обмотку трансформатора тока Т3 (см. рисунок 2).
Узел блокирования считается исправно функционирующим, если при повышении напряжения сверх Uвх, комбинированный блок питания снижает потребление энергии по каналу тока до минимального значения.
Для проверки термической стойкости токового входа и всех его элементов в испытательной схеме (см. рисунок 2) должен быть предусмотрен таймер для принудительного отключения тока через промежуток времени, указанный в документации на комбинированный блок питания, например, 1 с.

Рисунок 4. Осциллограмма тока термической стойкости [9]
После завершения испытания на воздействие тока термической стойкости проверяют состояние контактных зажимов токовых цепей, проводников 2, 4 и вводов трансформатора 1, узла блокирования токового входа 3.
Комбинированный блок питания считается выдержавшим испытания, если после воздействия тока термической стойкости зажимы токовых цепей, проводники, вводы трансформатора, изоляция проводников и другие элементы токовых цепей не имеют следов перегрева, разрушений и других дефектов [10].
Литература:
Захаров о.г.
Комбинированные блоки питания. Габариты. Масса
http://www.olgezaharov.narod.ru/2017/mart/gab_massa.htm
Комбинированные блоки питания. Испытания токовых входов.
http://www.energoboard.ru/articles/4150-kombinirovannie-bloki-pitaniya-ispitaniya-tokovih-vhodov.html
Испытания комбинированных блоков питания на устойчивость к воздействию микросекундных импульсных помех
http://rza.org.ua/article/a-149.html
Испытания комбинированных блоков питания
http://rza.org.ua/blog/a-319.html
Испытания комбинированных блоков питания на устойчивость к воздействию магнитного поля промышленной частоты
http://rza.org.ua/article/read/Ispytanija-kombinirovannyh-blokov-pitanija-na-ustojchivost-k-vozdejstviju-magnitnogo-polja-promyshlennoj-chastoty.html
Комбинированные блоки питания БПК-3(4). Контрольные испытания на надежность
http://rza.org.ua/article/read/Kombinirovannye-bloki-pitanija-BPK-34--Kontrolnye-ispytanija-na-nadezhnost.html
Комбинированные блоки питания БПК-3(4). Контрольные испытания на надежность
http://www.olgezaharov.narod.ru/2014/combi.html
Испытания комбинированных блоков питания на устойчивость
к воздействию магнитного поля промышленной частоты
http://www.olgezaharov.narod.ru/2015/MPPCH.html
Испытания комбинированных блоков питания на устойчивость к воздействию микросекундных импульсных помех
http://www.olgezaharov.narod.ru/2015/micro.htm
Комбинированные блоки питания. Испытания токовых входов
http://www.energoboard.ru/articles/4150-kombinirovannie-bloki-pitaniya-ispitaniya-tokovih-vhodov.html
О надёжности комбинированных блоков питания БПК-3(4)
http://energetik.energy-journals.ru/index.php/EN/article/view/408