
Начальник отдела РЗА – зам. ГК,
Пирогов М. Г.
Главный специалист отдела РЗА,
Чепелев В. Н.
Специалистами ООО "НТЦ "Механотроника" по заказу ОАО МРСК проведена НИОКР по разработке устройства защиты батареи статических конденсаторов (БСК) класса напряжений 110 кВ.


В результате НИОКР разработан шкаф защиты БСК 110-220 кВ "ШЗБК-МТ", содержащего в своем составе блок основной защиты "БМРЗ-БСК" и блок резервной защиты и автоматики управления выключателем "БМРЗ-АУВ".
Выбор уставок защит БСК осуществляется в соответствии с разработанными подробными методическими указаниями по расчету уставок защит БСК и по оценке чувствительности. Предоставляются типовые решения по интеграции шкафов защиты БСК 110-220 кВ "ШЗБК-МТ" в проекты подстанций. В ходе выполнения работы впервые был проведен детальный анализ процессов, протекающих в БСК 110 кВ при переходных процессах и, в
частности, при коротких замыканиях. Аналитическая проработка и имитационное моделирование показали, что любой переходной процесс в сети с подключенной БСК сопровождается высокочастотными колебательными процессами, определяемыми контуром "емкость БСК" – "индуктивность сети".

Для типовой БСК 110 кВ частота собственных колебаний находится в диапазоне 200 – 600 Гц, постоянная времени затухания – от 10 до 50 мс, а кратность броска тока при включении – от 5 до 12 (в зависимости от режима питающей сети). Аналогичные процессы протекают и при коротких замыканиях, в том числе и внешних.
Данные факторы приводят к необходимости дополнительной отстройки классических токовых защит, что неизбежно сказывается на их чувствительности или быстродействии.
Оценка чувствительности классических решений защит БСК, проведенная в ходе выполнения НИОКР, показала:
Для решения выявленных проблем в НТЦ "Механотроника" были разработаны дополнительных функции защиты БСК, проведено их программное макетирование и имитационное моделирование их работы.
Также предложены способы значительного повышения чувствительности токовых защит за счет учета особенностей переходных процессов в БСК при цифровой обработке сигналов в устройстве релейной защиты.
Необходимо особо отметить, что решение почти всех вопросов было проведено НТЦ "Механотроника" без необходимости изменения первичного оборудования существующих БСК, без установки дополнительных измерительных трансформаторов и датчиков.
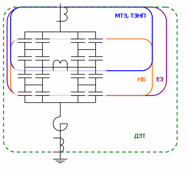
Защита токоограничивающих реакторов и их ошиновки от однофазных коротких замыканий на землю требует особого подхода и возможна только при условии установки дополнительного трансформатора тока нулевой последовательности в месте заземления БСК. В ООО "НТЦ "Механотроника" разработан и реализован высокочувствительный алгоритм продольной дифференциальной защиты нулевой последовательности с торможением (ДЗТ), который обеспечивает защиту всей БСК, в том числе и токоограничивающих реакторов, от коротких замыканий на землю - наиболее вероятного вида повреждений.
Производителям БСК и проектным организациям следует учитывать данную особенность и рассмотреть для ответственных объектов возможность установки дополнительного трансформатора тока нулевой последовательности в месте заземления БСК.
Для выполнения диагностики и контроля состояния батареи в ООО "НТЦ "Механотроника" разработан уникальный алгоритм, осуществляющий накопление информации о частичных пробоях и отключениях отдельных секций конденсаторных элементов. Принцип относительных измерений и длительный мониторинг данных позволяют достичь высокой чувствительности. Данный алгоритм обеспечивает возможность раннего предупреждения о необходимости технического обслуживания БСК, что позволяет избежать тяжелых повреждений оборудования.
Никто пока не комментировал эту страницу.