Гондуров С.А., Михалев С.В., Пирогов М.Г., Захаров О.Г.
НТЦ «Механотроника», С-Петербург
В первой части данной работы [1] были рассмотрены примеры расчета уставок токовой отсечки, а во второй [2] - пример расчета уставок дифференциальных защит с применением дифференциальной токовой отсечки, уставки по току срабатывания которых меньше номинального тока электродвигателя.
Примеры расчета уставок для дифференциальных защит, токи срабатывания которых превышают номинальный ток электродвигателя рассмотрены в [10]
Продолжим рассмотрение методик расчета уставок для цифровых устройств релейной защиты. Как и ранее, расчѐт уставок производим в первичных значениях токов, а после его окончания все уставки переводим во вторичные значения токов.
В зависимости от наличия устройств компенсации ПУЭ [4] предусмотрено применение защиты от однофазных замыканий на землю.
Защита от ОЗЗ должна действовать на отключение асинхронного электродвигателя. В схеме защиты синхронного электродвигателя алгоритм ОЗЗ должен одновременно формировать сигнал на автомат гашения поля АГП (при его наличии).
Для электродвигателей мощностью более 2МВт такая защита должна предусматриваться при токах замыкания на землю, равных или превышающих 5А.
При мощности электродвигателя не превышающей 2 МВт и отсутствии устройств компенсации данную защиту предусматривают при токах замыкания на землю равных или превышающих 10А.
В электроустановках с компенсирующими устройствами защиту от ОЗЗ предусматривают в тех случаях, когда в нормальных условиях работы суммарный ѐмкостной ток
(иногда в технической литературе можно встретить другой термин - остаточный ток) превышает 10А.
Согласно требованиям ПУЭ [4] в сети с изолированной нейтралью суммарный ѐмкостной ток
не должен превышать:
Если схема управления электродвигателем не требует замедления действия защиты, то алгоритм защиты от ОЗЗ выполняют без выдержки времени.
При введении выдержки времени в алгоритм защиты от ОЗЗ рекомендуется применять токовую защиту (токовое реле) с током срабатывания от 50 до 200 А в первичных значениях для быстрого отключения электродвигателя при возникновении двойных замыканий на землю.
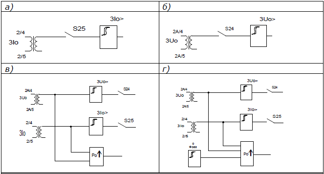
В блоках серии БМРЗ и БМРЗ-100 [8, 9] алгоритмы защиты от ОЗЗ могут быть выполнены одно- или двухступенчатыми с контролем:
В некоторых исполнениях блоков БМРЗ диаграмма направленности ОЗЗ может изменяться (рис. 1, д).

В зависимости от значения суммарного тока алгоритм ОЗЗ может действовать на сигнализацию (при токах меньших, чем установленные в [1]) или на отключение защищаемого электродвигателя.
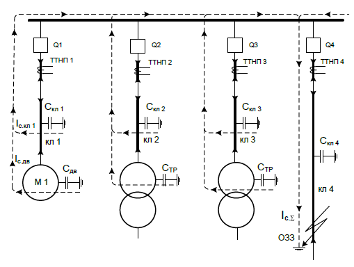
Для контроле тока нулевой последовательности используют специальные трансформаторы тока нулевой последовательности (см. ТТНП1 – ТТНП4 на рис. 2).

Трансформаторы ТНП устанавливают либо в ячейке распределительного устройства, либо у выводов электродвигателя.
Пусть в кабельной линии кл4 возникло однофазное замыкание на землю ОЗЗ. После окончания переходного процесса, связанного с перезарядом емкостей сети Скл1 – Скл4, двигателя Сдв и трансформаторов Стр, весь суммарный емкостной ток
двух неповрежденных фаз этой сети будет протекать через точку ОЗЗ.
Через другие присоединения сети, где ОЗЗ отсутствуют, будет протекать свой емкостной ток защищаемых присоединений, направленный в точку ОЗЗ. Поэтому для исключения ложных срабатываний необходимо выбирать значение уставки срабатывания, таким, чтобы оно превышало собственный ѐмкостной ток защищаемого присоединения.
Задержку по времени срабатывания защиты от ОЗЗ рекомендуется устанавливать нулевой. При необходимости отстройки от переходных процессов выдержка времени алгоритма ОЗЗ может быть задана равной
0,1 с.
При увеличении выдержки срабатывания рекомендуется применять двухступенчатый алгоритм ОЗЗ в котором вторая ступень работает без выдержки времени.
Методика расчета уставок иллюстрирована примером, в котором использованы данныые асинхронного электродвигателя серии А4, работающего от сети с изолированной нейтралью.
Данные для расчета:






.Таблица 1. Характеристики трансформаторов тока нулевой последовательности.
| Тип трансформатора | Коэффициент трансформации |
| ТЗЛ | 1 / 25 |
| ТЗЛМ | 1 / 25 |
| ТЗР | 1 / 18 |
| ТЗРЛ | 1 / 30 |
Расчет начинаем с определения полной мощности электродвигателя
, используя формулу (20) 1:

Пример 4:
4.1 Подставив полученное значение расчетные данные в формулу (20) получим такое значение
:

В приведенных выше данных для расчѐта отсутствует информация об электрической емкости обмоток. Приближенное значение ѐмкостного тока асинхронного двигателя напряжением 6 кВ можно найти еѐ по формуле (21):

Для асинхронного двигателя с номинальным напряжением 10 кВ используют другую формулу:

Пример 4:
4.2 Подставив полученное значение
в формулу (21) получим:

Более точно значение емкостного тока можно определить по формулам (23) и (24), рекомендованным в [11]:

где
- электрическая емкость двигателя в фарадах (Ф).
Ёмкость асинхронных двигателей и неявнополюсных синхронных двигателей находят по формуле (24):

Размерность и обозначения всех остальных величин приведены в данных для расчета.
Используя приведенные формулы найдем сначала электрическую ѐмкость двигателя, а затем его ѐмкостной ток.
Пример 4:
4.3 Ёмкость двигателя серии А4, данные которого приведены выше, составит:

Пример 4:
4.4 Подставив полученное значение ѐмкости в формулу (23), находим:

Сравнивая результаты, полученные в формулах (21-1) и (23-1), видим, что они совпадают. Это служит доказательством корректности выполненных нами расчетов.
Значение ѐмкостного тока кабельной линии находят либо из табл. 2 (для кабелей с бумажной изоляцией), либо вычисляют по формуле (25), дающей приближенный результат.

где
– номинальное линейное напряжение кабельной линии, кВ;
– длина кабельной линии, км.
Оба способа рекомендованы в [12].
Для кабелей с изоляцией из сшитого полиэтилена точное значение ѐмкостного тока необходимо запрашивать у завода-изготовителя.
Таблица 2 Емкостной ток кабеля с бумажной изоляцией
| Площадь сечения жил, мм2 | Емкостной ток, Ic, A/км при напряжении в сети: | |
| 6 кВ | 10 кВ | |
| 16 | 0,40 | 0,55 |
| 25 | 0,50 | 0,65 |
| 35 | 0,58 | 0,72 |
| 50 | 0,68 | 0,80 |
| 70 | 0,80 | 0,92 |
| 95 | 0,90 | 1,04 |
| 120 | 1,00 | 1,16 |
| 150 | 1,18 | 1,30 |
| 185 | 1,25 | 1,47 |
| 240 | 1,45 | 1,70 |
Для нашего случая значение ѐмкостного тока кабельной линии находим по данным, приведенным в табл. 1:
Пример 4:
4.5 Используя табличные данные получим:

Ток срабатывания защиты от ОЗЗ в первичных значениях вычисляют по формуле (27):

где
– коэффициент отстройки защиты от ОЗЗ;
– коэффициент возврата защиты от ОЗЗ;
– коэффициент броска емкостного тока, обусловленного перезарядом емкостей электрической сети при ОЗЗ.
– емкостной ток защищаемого электродвигателя, А;
– емкостной ток кабельной линии, соединяющий электродвигатель с ячейкой, А.
Пример 4:
4.6 Подставив в формулу (27) значения величин, получим:

Здесь необходимо сделать некоторые пояснения. Раньше, для схем защиты с электромеханическими реле, значение коэффициента отстройки принимали
. При использовании блоков БМРЗ этот коэффициент следует принимать
.
Значение коэффициента возврата алгоритма защиты от ОЗЗ принимают
, в соответствии с техническими данными, приведенными в руководствах по эксплуатации блоков серии БМРЗ и БМРЗ-100.
При расчетах уставок для защит с электромеханическими и статическими реле коэффициент броска емкостного тока принимали 
В связи с тем, что бросок апериодической составляющей тока ослабляется фильтрами блоков БМРЗ и БМРЗ-100, то значение этого коэффициента принимают другим, равным
.
Для проверки чувствительности данной защиты находим значение коэффициента чувствительности по формуле (28):

где
– суммарное значение емкостного тока сети при ОЗЗ на вводах питания, А.
Суммарное значение емкостного тока приведено в исходных данных для расчета, т.е. 
Подставив исходные данные в формулу (28) определяем значение коэффициента чувствительности:
Пример 4:
4. 7 Произведя вычисления, получим:

Полученный коэффициент чувствительности превышает минимальное значение 1,5, установленное для него в [4].
Ток срабатывания во вторичных значениях найдем по формуле (29-1), используя значение коэффициента трансформации для выбранного трансформатора тока нулевой последовательности типа ТЗР (табл.1):
Пример 4:
4.8 Подставив значения
и
, получим:

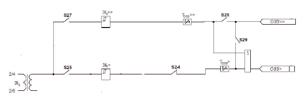
Для повышения стабильности срабатывания защиты принимаем выдержку первой ступени защиты замыканий на землю
(рис. 3).

Действие алгоритма ОЗЗ в блоках БМРЗ может быть выбрано на сигнализацию или на отключение.
При наличии временной задержки необходимо применять защиту от двойных замыканий на землю, которая должна срабатывать без выдержки времени, т.е.
.
Определение уставки срабатывания второй ступени ОЗЗ начнем с нахождения номинального тока электродвигателя по формуле (1).
Пример 4:
4. 9 Подставив исходные данные в формулу (1) и произведя вычисления, получим:

Знание номинального тока электродвигателя поможет нам найти уставку срабатывания защиты от двойных замыканий на землю в первичных значениях. С этой целью используем формулу (30):

где
- коэффициент отстройки;
- коэффициент, показывающий допустимое значение токов нулевой последовательности для сетей с изолированной нейтралью с учетом разброса индуктивных сопротивлений фазных обмоток электродвигателя;
- пусковой ток электродвигателя, А;
- коэффициент пуска;
. - номинальный ток электродвигателя, А.
Пример 4:
4. 10 Подставив в формулу (30) значения величин и произведя вычисления, получим:

Пересчитаем полученное значение уставки 3I0> во вторичные значения, для чего разделим полученную величину на коэффициента трансформации трансформатора:

В ПУЭ ([4], п. 5.3.48) для быстрого отключения двойных замыканий на землю рекомендовано выбирать уставку в первичных значениях от 50 до 100 А, т.е. уставка должна быть больше рассчитанной по формуле (30-1) по крайней мере в 8 раз (50/6,24 ≈ 8)
Для первичного значения тока ОЗЗ равного 50 А значение уставки во вторичных значениях составит:

Никто пока не комментировал эту страницу.