
Выключатели элегазовые баковые наружной установки серии ВГБ-35
1. НАЗНАЧЕНИЕ
1.1 Выключатели элегазовые баковые наружной установки серии ВГБ-35 предназначены для коммутации электрических цепей при нормальных и аварийных режимах, а также для работы в стандартных циклах при АПВ в сетях техфазного переменного тока частотой 50 и 60 Гц с номинальным напряжением 35 кВ.
1.2 Выключатели могут работать в широком диапазоне климатических условий: от районов Крайнего Севера (нижнее рабочее значение температуры окружающей среды - минус 60°С) до районов с тропическим климатом (верхнее рабочее значение температуры - плюс 55°С).
1.3 Выключатели соответствуют требованиям ГОСТ 687 "Выключатели переменного тока 3 4- 750 кВ. Общие технические условия", публикации МЭК 62271-100 и техническим условиям ТУ16-94 ИБКЖ.674121.001 ТУ, согласованным с РАО "ЕЭС России".
1.4 Выключатели имеют "Сертификат соответствия" РОСС RU.ME25 В00993 и «Санитарно-эпидемиологическое заключение» №66.01.04.341.Т.002273.11.03 от 26.11.2003г.
2. ОСНОВНЫЕ ПРЕИМУЩЕСТВА
• полная заводская готовность, обеспечивающая простой и быстрый монтаж, выключатель поставляется полностью отрегулированным, заполненным элегазом до рабочего давления;
• отсутствие динамических нагрузок на фундамент при работе (установка на одной опоре с облегченным фундаментом);
• простые и надежные дугогасительные устройства, содержащие минимально возможное количество подвижных элементов и работающие на принципе вращения электрической дуги в магнитном поле, создаваемом током, протекающим через гасительное устройство. Этот способ гашения гарантирует отсутствие перенапряжений даже при отключении малых индуктивных токов и отключение без повторных пробоев емкостных токов до 630 А;
• большие механические и коммутационные ресурсы, обеспечивающие при нормальных условиях эксплуатации работу без ремонта в течение всего срока службы выключателя;
• наличие единственного на выключатель динамического уплотнения с "жидкостным затвором" и высокотехнологического алюминиевого сварного бака гарантирует пониженный уровень естественных утечек элегаза;
• высокая надежность: даже при падении избыточного давления элегаза до нуля выключатель выдерживает длительное воздействие напряжения 52 кВ и отключает токи нагрузки до 630 А;
• использование чистого элегаза в исполнении ХЛ1 (до минус 60°С);
• 12 встроенных трансформаторов тока, позволяющих в большинстве случаев отказаться от применения выносных трансформатором тока наружной установки;
• взрыво- и пожаробезопасность.
3. УСТРОЙСТВО ВЫКЛЮЧАТЕЛЯ И ЕГО ОСНОВНЫХ СОСТАВНЫХ ЧАСТЕЙ
3.1 В состав выключателя входят привод, шесть высоковольтных вводов со встроенными трансформаторами тока и один газоплотный алюминиевый сварной бак, внутри которого размещены дугогасительные устройства 3-х фаз.
3.2 Дугогасительные устройства, содержащие неподвижный и подвижный контакты, а также катушки магнитного дутья, используют для гашения способ вращения электрической дуги в магнитном поле создаваемом током, протекающем через катушки. Подвижные контакты, расположенные под углом 120°, жестко закреплены на концах трехлучевой изоляционной траверсы, установленной непосредственно на центральном поворотном валу бака выключателя. Простота дугогасительных устройств, имеющих минимально возможное количество подвижных элементов, является основой их надежной работы.
Подогревательное устройство, размещенное под днищем бака, обеспечивает возможность работы выключателя, заполненного чистым элегазом, в условиях низких температур (вплоть до минус 60°С).
3.3 Единственное на выключатель динамическое уплотнение размещено на центральном поворотном валу. Вал, установленный на подшипниках качения, уплотняется системой из четырех манжет и «жидкостного затвора». Многолетняя практика успешного применения такого способа герметизации газа гарантирует надежность длительной работы динамического уплотнения в любом диапазоне температур окружающего воздуха.
3.4 Выключатель снабжен европейским электроконтактным сигнализатором плотности элегаза с устройством температурной компенсации, приводящим показания давления к температуре плюс 20°С. Сигнализатор обеспечивает визуальный контроль за уровнем плотности элегаза и имеет две уставки: предупредительный сигнал о необходимости пополнения элегаза и сигнал на блокировку (запрет оперирования или принудительного отключения с запретом на включение).
Уставки срабатывают на замыкание при снижении плотности элегаза (падении давления).
Соединение сигнализатора плотности с газовой полостью обеспечивается через клапан автономной герметизации, который позволяет, при необходимости, снимать сигнализатор для поверки или замены без разгерметизации полости бака выключателя.
Для заполнения бака элегазом и его опорожнения также имеется клапан автономной герметизации.
3.5 Высоковольтные вводы выключателя имеют комбинированную изоляцию. Основой ввода служит эпоксидная втулка с залитым центральным токоведущим медным стержнем.
Фланцы эпоксидных втулок вводов устанавливаются в соответствующие патрубки бака, герметизируя этот разъем, таким образом, объем, находящийся под давлением элегаза, ограничивается только внутренним пространством бака. Токоведущие стержни вводов соединены с неподвижными контактами дугогасительных устройств.
На расположенной вне бака выключателя стороне втулки ввода размещены блок встроенных трансформаторов тока, закрытый защитным кожухом, и фарфоровый изолятор. Полость между литой эпоксидной втулкой и фарфоровым изолятором загерметизирована и, во избежании образования в ней конденсата, заполнена специальной густой изоляционной жидкостью (виниполом).
Возможность доступа к клеммным рядам блоков встроенных трансформаторов тока позволяет, при необходимости, производить изменение коэффициента трансформации простым переключением отпаек без разборки выключателя.
3.6 Выключатель комплектуется электромагнитным приводом, выполненным в одном из трех исполнений:
• ПЭМ-1 (обозначение выключателя ВГБЭ-35) - привод с питанием электромагнитов от источника постоянного тока;
• ПЭМ-2 (обозначение выключателя ВГБЭ-35) - привод с питанием электромагнита отключения и контактора от источника постоянного тока, а электромагнита включения от источника переменного тока (в том числе зависимого) через встроенный в привод выпрямитель;
• ПЭМ-3 (обозначение выключателя ВГБЭП-35) - привод с питанием электромагнитов и контактора от источника переменного тока (в том числе зависимого) через встроенные в привод выпрямители. Этот привод укомплектован блоком расцепителей (реле прямого действия): два токовых расцепителя на 5 А (либо ЗА) и один расцепитель независимого питания на 220 В (либо 110 В) переменного или постоянного тока. По дополнительному заказу привод может комплектоваться пружинной приставкой, позволяющей выполнять оперативное включение выключателя при отсутствии питания вторичных цепей. Такой набор функций обеспечивает в приводе ПЭМ-3 сочетание качеств, присущих как электромагнитным приводам (простота и надежность), так и пружинным приводам (автономность).
3.7 На время транспортирования бак с высоковольтными вводами и привод отделяются друг от друга и упаковываются в один транспортный ящик. Так как объем, находящийся под давлением элегаза, ограничен пространством высокопрочного алюминиевого бака, выключатель отгружается Заказчику заполненным до уровня рабочего давления элегаза, что предельно сокращает подготовку его к работе на месте монтажа. При монтаже требуется установить выключатель на подстанционную типовую опору, подвесить привод к выключателю и тягой, находящейся в приводе, соединить их.
4. ОСНОВНЫЕ ТЕХНИЧЕСКИЕ ХАРАКТЕРИСТИКИ ВЫКЛЮЧАТЕЛЯ С ПРИВОДОМ
| Наименование параметра | Значение |
| Номинальное напряжение, кВ | 35 |
| Наибольшее рабочее напряжение, кВ | 40.5 |
| Номинальный ток, A | 630 или 1000 |
| Номинальный ток отключения, кА | 12.5 |
| Номинальное относительное содержание апериодической составляющей, % | 32 |
| Сквозной ток КЗ, кА: | |
| наибольший пик | 35 |
| трехсекундный ток термической стойкости | 12.5 |
| Отключаемый емкостный ток одиночной конденсаторной батареи, А, не более | 630 |
| Собственное время отключения, с | 0,04 ±0,005 |
| Полное время отключения, с | 0,065 |
| Минимальная бестоковая пауза при АПВ, с | 0.3 |
| Собственное время включения, с, не более | 0.1+0.03 |
| Давление заполнения элегазом, приведенное к температуре 20° С, МПаабс ("кгс/см2) | 0.55 (5.5) |
| Давление предварительной сигнализации об утечке элегаза, приведенное к температуре 20°С, МПаабс (кгс/см2) | 0.43 (4.3) |
| Давление аварийной сигнализации (блокировки) - запрета оперирования или принудительного отключения выключателя с запретом на включение, приведенное к температуре 2СГС, МПаа0с (кгс/см?) (Разработка варианта схемы блокировки осуществляется проектной организацией по согласованию с эксплуатирующей организацией) | 0.4 (4.0) |
| Утечка за год, %, не более | 0.5 |
| Испытательное напряжение промышленной частоты, действующее значение, кВ: | |
| внутренней и внешней изоляции одноминутное | 95 |
| внешней изоляции при плавном подъеме: | |
| сухоразрядное | 105 |
| под дождем | 85 |
| Испытательное напряжение грозовых импульсов, кВ: | |
| полный импульс | 190 |
| срезанный импульс | 230 |
| Длина пути утечки вводов (категория загрязнения II* по ГОСТ 9920), см | 105 |
| Номинальное напряжение электромагнитов управления, В | |
| при питании постоянным током | 110; 220 |
| при питании переменным током | 220 |
| Диапазон рабочих напряжений электромагнитов управления, % от номинального значения: | |
| включающего при питании постоянным или выпрямленным током | 85-110 |
| отключающего при питании постоянным током | 70-110 |
| отключающего при питании выпрямленным током | 65-120 |
| Потребляемый ток электромагнитов, А, не более: | |
| включающего: | |
| при UHOM=220В | 38 |
| при UHOM=110В | 76 |
| отключающего: | |
| при UHOM=220В | 2.5 |
| npи UHOM=110B | 5 |
| Ток срабатывания токовых расцепителей (YAA) для схем с дешунтированием, А | 5 ± 0.5* |
| Номинальное напряжение расцепителей с независимым питанием (YAV) переменным или постоянным током, В | 220** |
| Диапазон рабочих напряжений расцепителя YAV, % от номинального значения при питании постоянным или переменным током | 65…120 |
| Номинальный ток вспомогательных цепей, A | 10 |
| Ток отключения коммутирующих контактов для внешних вспомогательных цепей, А, при напряжении 110/220 В: | |
| переменного тока | 10/10 |
| постоянного тока | 2/1 |
| Количество свободных цепей вспомогательных контактов: | |
| замыкающих | 3 |
| размыкающих | 3 |
| Мощность подогревательных устройств, кВт, не более: | |
| выключателя исполнения УХЛ1 | 0.8 |
| привода исполнений: | |
| T1 | 0.2 |
| УХЛ1 | 0.8 |
| Напряжение подогревательных устройств, В | 220 |
| Номинальный рабочий ток сигнализатора давления, A: | |
| кратковременный при замыкании | 1.0 |
| кратковременный при размыкании | 1.0 |
| установившееся значение | 0.6 |
| переключаемая мощность W/VA | 30/50 |
| Напряжение коммутируемых цепей сигнализатора давления, В, не более | |
| Масса выключателя, кг | 650 |
| Масса элегаза, кг | 4 |
* По отдельному заказу могут поставляться токовые расцепители на 3 А.
** По отдельному заказу могут поставляться расцепители с независимым питанием постоянным током при
напряжении 110В.
Примечание: Для выключателей с зависимым питанием привода диапазон рабочих напряжений переменного тока на зажимах выпрямителя 200-242 В. Мощность однофазного трансформатора для питания выпрямителя - не менее 25 кВ-А. При этом обеспечивается включение с посадкой на защелку на токи КЗ до 12,5 кА. Применение индуктивных накопителей энергии не требуется.
Выключатель имеет следующие показатели надежности и долговечности:
• ресурс по механической стойкости до капитального ремонта - 5000 циклов «включение-произвольная пауза-отключение» (B-tn-O).
Допускаемое для каждого полюса выключателя без осмотра и ремонта дугогасительных устройств, контактов и замены элегаза число операций отключения (ресурс по коммутационной стойкости) составляет не менее одной из величин:
• при токах в диапазоне свыше 60 до 100% номинального тока отключения - 33 операции;
• при токах в диапазоне от 30 до 60% номинального тока отключения - 70 операций;
• при номинальном токе нагрузки - 2000 операций (в том числе операций отключения емкостных токов до 600 А одиночных конденсаторных батарей).
Допустимое дополнительное число операций включения составляет 50% от указанных числа операций отключения (при номинальном токе нагрузки - 100%).
5. ОСНОВНЫЕ ТЕХНИЧЕСКИЕ ХАРАКТЕРИСТИКИ ВСТРОЕННЫХ ТРАНСФОРМАТОРОВ ТОКА Iном=630А
5.1 Стандартное исполнение с вторичным током 5 А.
Номинальный ток, А |
Маркировка выводов вторичных обмоток | Номинальная вторичная нагрузка при coscp = 0,8 в классе точности, ВА | Номинальная предельная кратность обмотки 10Р | ||||||
| первичный | вторичный | для измерения | для защиты | обмотки для измерения | обмотки для защиты 10Р | ||||
| 0,2 | 0,5 | 1 | 3 | ||||||
| 50 | 1И1-1И2 | 2И1-2И2 | - | - | - | 15 | 15 | - | |
| 100 | 1И1-1ИЗ | 2И1-2ИЗ | - | - | 10 | 30 | 30 | 2 | |
| 150 | 5 | 1И1-1И4 | 2И1-2И4 | _ | 10 | _ | 30 | 4 | |
| 200 | 1И1-1И5 | 2И1-2И5 | - | 20 | - | - | 30 | 5 | |
| 300 | 1И1-1И6 | 2И1-2И6 | - | 30 | - | - | 30 | 9 | |
| 600 | 1И1-1И7 | 2И1-2И7 | 30 | - | - | - | 30 | 14 | |
6. ОСНОВНЫЕ ТЕХНИЧЕСКИЕ ХАРАКТЕРИСТИКИ ВСТРОЕННЫХ ТРАНСФОРМАТОРОВ ТОКА Iном=1000А
| Номинальный ток А | Маркировка выводов вторичных обмоток | Номинальная вторичная нагрузка при cosφ = 0,8 в классе точности, ВА | Номинальная предельная кратность обмотки 10Р | |||||
| первичный | вторичный | для измерения | для защиты | обмотки для измерения | обмотки для защиты 10Р |
|||
| 0,5 | 1 | 3 | ||||||
| 600 | 1И1-1И2 | 2И1-2И2 | 10 | 30 | - | 20 | 13 | |
| 800 | 5 | 1И1-1ИЗ | 2И1-2ИЗ | 20 | 30 | 40 | 20 | 15 |
| 1000 | 1И1-1И4 | 2И1-2И4 | 30 | 40 | 50 | 30 | 13 | |
| Обозначение обмоток | Коэффициент трансформации | Выводы |
| И | 50/5100/5150/5200/5300/5600/5 | 1S1-1S21S1-1S31S1-1S41S1-1S51S1-1S61S1-1S7 |
| 10Р | 50/5100/5150/5200/5300/5600/5 | 2S1-2S22S1-2S32S1-2S42S1-2S52S1-2S62S1-2S7 |
| N контакта | Подсоединение цепи |
| 1 | Предварительная сигнализация |
| 2 | |
| 3 | Аварийная сигнализация (блокировка) |
| 4 | |
| 5 | Заземление |
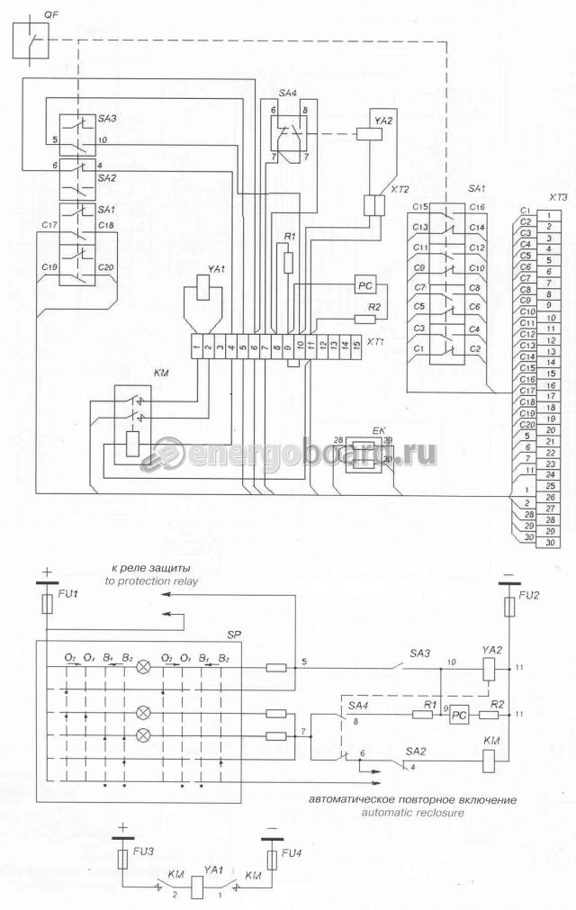
Т1 ...Т6 - трансформаторы тока; SP - сигнализатор плотности фирмы Wika; EK - нагреватель.


Расшифровка обозначений элементов схемы
| Обозн. | Тип, выполняемая функция | Примечание |
| QF | Выключатель управляемый | |
| SA1 | Устройство коммутирующее для внешних вспомогательных цепей | |
| SA2 | Контакт блокировочный в цепи включения выключателя | |
| SA3 | Контакт блокировочный в цепи отключения выключателя | |
| SA4 | Контакт блокировочный против "прыгания" | |
| PC | Счетчик импульсов (операций "О") СИ-206 1 10В | |
| XT2.XT4, XT5.XT6, XT7 | Блок зажимов КР-2 | |
| XT1 | Блок зажимов наборный БЗН24-4П25 В/В-15 | |
| XT3,XT8 | Зажим наборный ЗН24-4П25 В/В | Кол. 30 и 8 шт. |
| KM | Контактор МК2-20Б | |
| YA1 | Электромагнит включения | |
| YA2 | Электромагнит отключения | |
| YAA1, YAA2 | Электромагнит токовый отключения для схем с дешунтированием | для ПЭМ-3 |
| YAV | Электромагнит релейного отключения с независимым питанием | |
| R1 | Резистор С5-35В-50 150 Ом | для исполн. 220 В |
| Резистор С5-35В-50 39 Ом | для исполн. 110В | |
| R2 | Резистор С5-35В-10 - 2 кОм | для исполн. 220 |
| R3 | Резистор С5-35В-50 - 1,5 кОм | для исполн. Т1 |
| EK | Нагреватель трубчатый ТЭН-71А 10/0,45 220 | для исполн. УХЛ 1 |
| VD1...VD4 | Диод Д 232-80-11 | для ПЭМ-2 и ПЭМ-3 |
| VD5...VD12 | Диод КД-206 В | для ПЭМ-3 |
| FU1 - FU4 | Предохранитель плавкий | не поставляется |
| SP | Ключ управления | не поставляется, исполнение ключа - только в качестве примера |
Карсыбаев Сапаралы Каримович
Хотим купить выключатель нагрузки с приводом электромагнитным ВГБЭП-35-12,5/630 УХЛ 1.
Карсыбаев Сапаралы Каримович
Хотели купить у Вас
Выключатель элегазовый ВГБЭ-35-630/12,5 УХЛ1. Дайте пожалуйста ценовые предложение.
Электрокомплекс-Минусинск
Уважаемый, Карсыбаев Сапаралы Каримович,
предлагаем аналоги производства ООО "МЗКРУ-Электрокомплекс" запрашиваемой Вами продукции .
Наше предприятие с более 30 летним опытом работы в сфере производства вакуумных выключателей 10-35 кВ и комплектно-распределительных устройств готово стать для Вас надежным партнёром.
www.electrocomplex.ru
Отдел продаж: 8-902-467-0372
tdelco@mail.ru
Алмаз
Продам блок защиты,Mikom-p-921-12штук,новые,по 20т.руб.тел.+79872675264
Давааням Гантумур
Уважаемые господа,
Выключатель элегазовый ВГБЭ-35-630/12,5 УХЛ1. Дайте пожалуйста ценовые предложение.
Депозит плюс ХХК
Улаанбаатар, Монголия
Директор
Давааням Гантумур
Геннадий
Предлагаю ВГБЭ-35-12,5/630 с хранения. Можем сделать ревизию
Екатеринбург
89122069000 Геннадий
Поставки высоковольтного оборудования 6 кВ – 220 кВ предприятиям промышленности и объектам энергетики
Дина
Добрый день!
Есть в наличии и цену можно ?
Выключатель элегазовый ВГБ-УЭТМ-35-12,5/630А с
электромагнитным приводом ПЭМ-1
Комментарий проверяется
Текст комментария будет виден после проверки администратором.
Комментарий проверяется
Текст комментария будет виден после проверки администратором.
Комментарий проверяется
Текст комментария будет виден после проверки администратором.